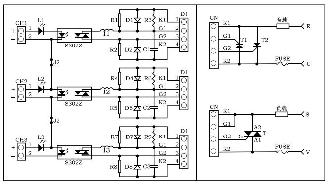
SW03A设计上采用XIMADEN小型功率扩展固态继电器,驱动三路单相或三相大功率反并联晶闸管或双向晶闸管。
输入电平和日本岛电占空比(P型 SSR)调节输出类型仪表兼容,例如:SR90、SR1/3/4等系列。
其安装方式为DIN标准导轨或四孔螺丝。输入使用UL标准的电力接线端子,输出使用可拨插端子,方便用户使用。
220V AC和380V AC下均可工作配套S302Z扩展固态继电器(无阻容吸收回路)。
参照电路原理图,在前级固态继电器导通时,强制后级大功率晶闸管导通,对后级晶闸管无特殊要求。



SW03A设计上采用XIMADEN小型功率扩展固态继电器,驱动三路单相或三相大功率反并联晶闸管或双向晶闸管。
输入电平和日本岛电占空比(P型 SSR)调节输出类型仪表兼容,例如:SR90、SR1/3/4等系列。
其安装方式为DIN标准导轨或四孔螺丝。输入使用UL标准的电力接线端子,输出使用可拨插端子,方便用户使用。
220V AC和380V AC下均可工作配套S302Z扩展固态继电器(无阻容吸收回路)。
参照电路原理图,在前级固态继电器导通时,强制后级大功率晶闸管导通,对后级晶闸管无特殊要求。

