回到顶部

有源晶闸管驱动器

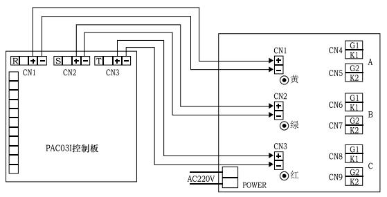
晶闸控制器SW03A-6L

6L大功率晶闸管驱动板是为PAC03I驱动大功率晶闸管专门设计的,他采用直流触发,有源六路隔离的输出脉宽跟随输入脉宽技术。它适用于各种三相电加热的大功率晶闸管的驱动及三相半控、全控桥式整流的触发。

6l.jpg

d40377370eb6437eb0dc16226dfcdffa.jpg