回到顶部

S系列普通型继电器

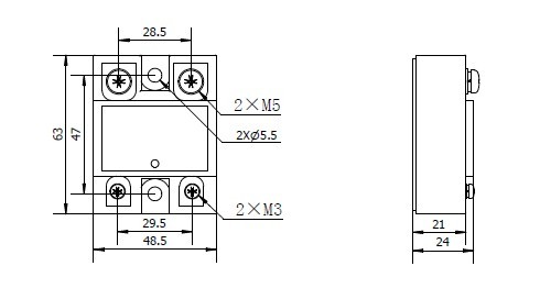
S320ZK交流固态继电器

K.jpg