回到顶部
服务热线:
010-83290262
网站首页
关于我们
公司简介
产品展示
交流固态继电器
S系列普通型继电器
H系列增强型固体继电器
U型欧式继电器
MTX全控型整流模块
MFX全控型整流模块
R系列全波固态调压块
HZ固态继电器
电力调整器
XMD系列电力调整器
欧式风格电力调整器
通用型调整器
日本岛电调整器
两控三相调整器
直流固态继电器
G系列直流固态继电器
工业控制模块
通讯转换器
周波控制器
晶闸管功率扩展器
电流变换器
有源晶闸管驱动器
岛电PID温控器
定值控制型PID调节器
程序段控制型PID调节器
HCM人机界面
散热器、风冷单元
模组套装散单元
散热器单元
下载中心
岛电温控表系列
SR1\3\4系列说明书
SR90系列说明书
FP23系列说明书
SR80系列说明书
FP30系列说明书
SR23系列说明书
FP93系列说明书
SRS10A系列说明书
MR13使用手册
SRS0说明书
shimaden产品选型表
电力调整器系列
三相系列调整器
单相系列调整器
两控三相调整器
XMD300系列调整器
固态继电器系列
XIMADEN固态继电器
工业控制模块
周波控制器
可控硅触发器
电流变换器
shimaden产品选型表
技术支持
固态继电器性能测试
PAC16P单相故障解决
PAC30A三相故障解决
PAC03I三相故障解决
新闻动态
公司动态
行业新闻
最新资讯
联系我们
H系列增强型固体继电器
交流固态继电器
S系列普通型继电器
S203固态继电器
S204固态继电器
S206固态继电器
S208固态继电器
S210固态继电器
S212固态继电器
S220固态继电器
S225固态继电器
S240固态继电器
S302固态继电器
S303固态继电器
S304固态继电器
S306固态继电器
S308固态继电器
S310固态继电器
S312固态继电器
S320固态继电器
S325固态继电器
S340固态继电器
HZ固态继电器
H系列增强型固体继电器
H275增强型固体继电器
H375增强型固体继电器
H380增强型固体继电器
H3100增强型固体继电器
H3120增强型固体继电器
H3150增强型固体继电器
H3200增强型固体继电器
H3220增强型固体继电器
H3250增强型固体继电器
H3300增强型固体继电器
H3340增强型固体继电器
H3400增强型固体继电器
H3500增强型固体继电器
U型欧式继电器
H312ZU固体继电器
H325ZU欧式固体继电器
H330ZU欧式固体继电器
H340ZU欧式固体继电器
H350ZU固体继电器
H375ZU欧式固体继电器
H3100ZU欧式固体继电器
MTX全控型整流模块
MTX56
MTX90
MTX120
MTX180
MTX200
MTX250
MFX全控型整流模块
MFX56
MFX90
MFX120
MFX180
MFX200
MFX250
R系列全波固态调压块
R208
R212
R225
R240
HZ固态继电器
电力调整器
XMD系列电力调整器
XMD300系列调整器
欧式风格电力调整器
PAC30A电力调整器
ZAC28U电力调整器
ZAC29C电力调整器
PAC20A电力调整器
PAC01A电力调整器
通用型调整器
PAC03I
PAC16P
日本岛电调整器
PAC15P调整器
PAC35P调整器
两控三相调整器
ZAC2P3调整器
ZAC102P3调整器
工业控制模块
通讯转换器
周波控制器
ZAC10
晶闸管功率扩展器
晶闸管扩展器SW03A
电流变换器
XCT1电流变换器
有源晶闸管驱动器
SW03-6L有源晶闸管驱动器
岛电PID温控器
定值控制型PID调节器
SR90系列调节器
SR1、3、4系列调节器
SR80系列调节器
程序段控制型PID调节器
FP93系列调节器
SRS10系列调节器
MR13系列调节器
FP23系列调节器
SR23系列调节器
FP30系列调节器
SRS0系列调节器
MRM57
MCM57通讯模块
HCM人机界面
HCM人机界面
散热器、风冷单元
模组套装散单元
B20-3
B140S
B200S
B300S
B160S
B227
B301
B361
B400
散热器单元
B20
DB20
DB40
B50
B60
B80
B100
直流固态继电器
G系列直流固态继电器
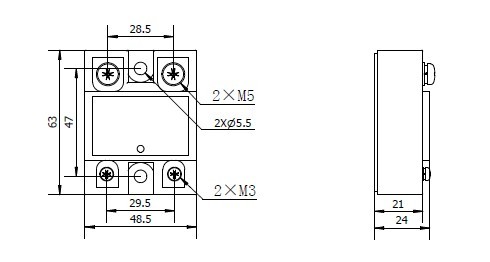
H380增强型固体继电器
您的位置:
首页
>H380增强型固体继电器
H380ZK增强型固态继电器
电话
消息
二维码
分享